欢迎加入 百应MOOC :)

已经拥有百应MOOC帐号?直接登录。

使用第三方登录 微信 QQ 微博

用户名
密码
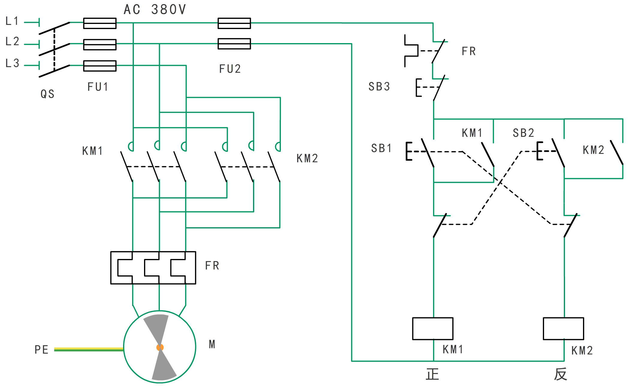
按钮互锁
0
按钮互锁
广西机电职业技术学院
付费方式 / 免费 上传时间 / 2015/12/7 13:23:00 收藏人数 / 0 观看人数 / 0
素材属性 / 图文

扫描获取
本课程二维码

评价
满意度评分:0 内容实用: 5 通俗易懂: 5 逻辑清晰: 5 0 位同学参与评价
0/300
联系我们

北京华晟云联科技有限公司       北京市昌平区回龙观镇高新四街6号院1号楼1层103

010-53948819 sales@cecloud.net